考試說明:
1.本試卷共6題。考試時間為180分鐘。
2.抄畫零件圖;依次打開相應的5個圖形文件,按題目要求在其上作圖,完成后仍然以原來圖形文件名保存作圖結果,確保文件保存在考生已建立的文件夾中。
一、抄畫零件圖,以“A1.dwg”為文件名存盤。
二、補畫視圖
1.根據立體已知的2個投影作出第3個投影。(A2)
1.本試卷共6題。考試時間為180分鐘。
2.抄畫零件圖;依次打開相應的5個圖形文件,按題目要求在其上作圖,完成后仍然以原來圖形文件名保存作圖結果,確保文件保存在考生已建立的文件夾中。
一、抄畫零件圖,以“A1.dwg”為文件名存盤。
二、補畫視圖
1.根據立體已知的2個投影作出第3個投影。(A2)
附件
1.jpg (31.58 KB) -
2006-11-2 14:26

-
2.繪制俯視圖(A3)
附件
2.jpg (34.63 KB) -
2006-11-2 14:27

-
3.把已知立體的主視圖作成全剖視圖,并求出作成半剖視的俯視圖。(A4)
附件
3.jpg (31.68 KB) -
2006-11-2 14:28

-
三、尺寸標注
1.標全視圖上的尺寸。(A5)附件
4.jpg (28.45 KB) -
2006-11-2 14:28

-
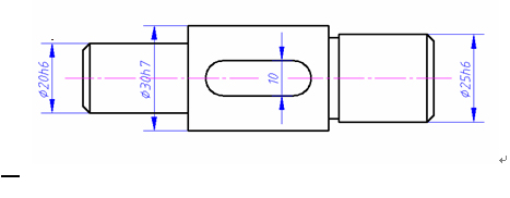
.按要求標注視圖上的形位公差。(A6)
(1)φ20h6圓柱中心軸線對φ25h6圓柱中心軸線的同軸度公差為φ0.05mm;
(2)鍵槽中心平面對過φ30h7圓柱軸線的中心平面的對稱度公差為0.02mm;
(3)鍵槽對中心線平行度公差為0.05mm;
(4) φ30h7圓柱素線的直線度公差為0.02mm。
[ 本帖最后由 怡笑小子 于 2006-11-2 14:31 編輯 ]附件
5.jpg#p#分頁標題#e# (47.57 KB) -
2006-11-2 14:29

相關文章
- 2021-09-08BIM技術叢書Revit軟件應用系列Autodesk Revit族詳解 [
- 2021-09-08全國專業技術人員計算機應用能力考試用書 AutoCAD2004
- 2021-09-08EXCEL在工作中的應用 制表、數據處理及宏應用PDF下載
- 2021-08-30從零開始AutoCAD 2014中文版機械制圖基礎培訓教程 [李
- 2021-08-30從零開始AutoCAD 2014中文版建筑制圖基礎培訓教程 [朱
- 2021-08-30電氣CAD實例教程AutoCAD 2010中文版 [左昉 等編著] 20
- 2021-08-30電影風暴2:Maya影像實拍與三維合成攻略PDF下載
- 2021-08-30高等院校藝術設計案例教程中文版AutoCAD 建筑設計案例
- 2021-08-29環境藝術制圖AutoCAD [徐幼光 編著] 2013年PDF下載
- 2021-08-29機械AutoCAD 項目教程 第3版 [繆希偉 主編] 2012年PDF